Pallade Veneta - Neuronas de laboratorio aprendieron a jugar un videojuego (estudio)

Neuronas de laboratorio aprendieron a jugar un videojuego (estudio)


Neuronas de laboratorio aprendieron a jugar un videojuego (estudio)
Neuronas de laboratorio aprendieron a jugar un videojuego (estudio) / Foto: Handout - AFP

Células cerebrales cultivadas en un laboratorio aprendieron a jugar el clásico videojuego Pong y podrían ser capaces de un "comportamiento inteligente y consciente", concluyeron neurocientíficos australianos.

Tamaño del texto:

Brett Kagan, quien dirigió el estudio publicado el miércoles en la revista Neuron, dijo a la AFP que sus hallazgos abren la puerta a un nuevo tipo de investigación sobre procesadores de información biológica, oomplementando las computadoras digitales normales.

"Lo que las máquinas no pueden hacer es aprender cosas muy rápidamente", señaló, y explicó que si uno necesita que un algoritmo de aprendizaje automático aprenda algo, eso requiere miles de muestras de datos.

Pero un perro, por ejemplo, "puede aprender un truco en dos o tres intentos", destacó Kagan, director científico del laboratario Cortical Labs, con sede en Melbourne.

Las neuronas son la base de la inteligencia en todos los animales, desde los insectos hasta los humanos.

Para su experimento, que buscaba descubrir si era posible explotar la inteligencia inherente de las neuronas, Kagan y sus colegas tomaron neuronas de cerebros embrionarios de ratones, así como neuronas de células madre humanas adultas.

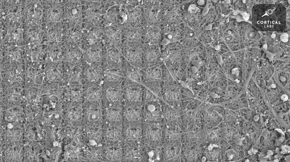
Luego cultivaron estas neuronas alrededor de matrices de microelectrodos capaces de detectar su actividad y estimularlas. Los experimentos involucraron a un grupo de alrededor de 800.000 neuronas, aproximadamente del tamaño de un cerebro de abejorro.

En una especie de versión simplificada del videojuego Pong, una señal era enviada desde la derecha o la izquierda para indicar la ubicación de una pelota y el grupo de neuronas, bautizado por los investigadores 'DishBrain' (cerebro en caja), respondía con otra señal para mover la raqueta.

- "Principio de la energía libre" -

Uno de los principales obstáculos fue cómo hacer que las neuronas aprendieran una tarea.

Trabajos previos habían sugerido darles una dosis de dopamina, la "hormona de la felicidad", con cada acción correcta, pero esto ha resultado difícil de lograr con la velocidad necesaria.

En cambio, el equipo de Kagan se basó en la teoría del llamado "principio de la energía libre" expuesto hace más de 10 años por Karl Friston, autor principal del estudio publicado el miércoles, y según el cual las células están programadas para minimizar la imprevisibilidad de su entorno.

Cuando las neuronas lograban golpear la pelota con la raqueta, recibían señales eléctricas previsibles indicando su éxito. Pero cuando fallaban, la señal recibida era aleatoria e imprevisible.

"Lo único que las neuronas podían hacer era mejorar su intento de golpear la pelota para mantener su mundo controlable y predecible", detalló Kagan.

Su equipo considera que 'DishBrain' es "sensible", lo cual definen como la capacidad de percibir información sensorial y responder a ella dinámicamente, pero no van tan lejos como para llamarlo "consciente", lo que implica la conciencia de la propia existencia.

El 'DishBrain' también se probó con otra tarea: el juego que aparece en Google Chrome cuando no se encuentra una conexión a internet, que consiste a hacer correr a un dinosaurio ante algunos obstáculos. Y los resultados preliminares fueron alentadores, indicó Kagan.

Los científicos ahora quieren saber cómo las drogas y el alcohol afectan la inteligencia de estas neuronas, pero Kagan está más entusiasmado con la posibilidad de desarrollar computadoras biológicas.

"Esto es neurociencia interesante y rigurosa", estimó Tara Spires-Jones, de la Universidad de Edimburgo, que no participó en el estudio.

"No se preocupen, aunque estas cajas de neuronas pueden modificar sus respuestas cuando son estimuladas, no son cajas de inteligencia tipo ciencia ficción, son respuestas de circuitos simples (aunque interesantes e importantes) desde un punto de vista científico", aseguró.

R.Lagomarsino--PV